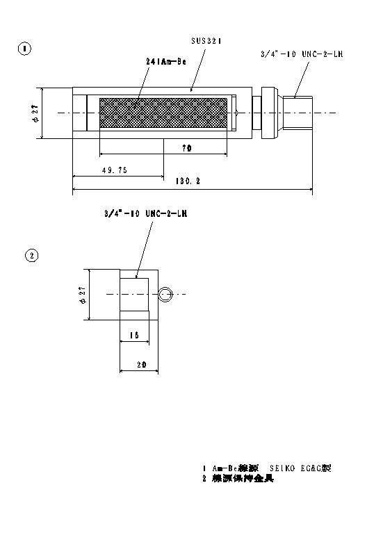
Am-Be 1Ci 線源の形状・内部構造